| Обозначение: |  ГОСТ Р 71633-2024 |
| Статус: | действует |
| Название рус.: | Сосуды и аппараты. Опоры цилиндрические и конические. Общие технические требования |
| Название англ.: | Vessels and apparatus. Cylindrical and conical supports. General technical requirements |
| Дата актуализации текста: | 01.06.2025 |
| Дата актуализации описания: | 01.06.2025 |
| Дата издания: | 16.12.2024 |
| Дата введения: | 01.03.2025 |
| Нормативные ссылки: | ГОСТ 5520; ГОСТ 6533; ГОСТ 14637; ГОСТ 19281; ГОСТ 24379.0; ГОСТ 24379.1; ГОСТ 25346; ГОСТ 25347; ГОСТ 30893.1; ГОСТ 31838; ГОСТ 34233.1; ГОСТ 34233.9-2017; ГОСТ 34347-2017 |
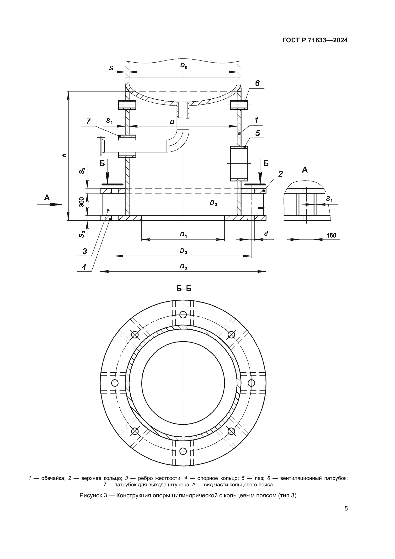
| Область применения: | Настоящий стандарт распространяется на цилиндрические и конические опоры-юбки для вертикальных сосудов и аппаратов, изготавливаемых в соответствии с ГОСТ 34347, ГОСТ 31838 |
|
| Расположен в: |
|