Информационная система
«Ёшкин Кот»

Государственные стандартыДекларация о соответствии Единый перечень продукции ТС Классификатор государственных стандартов Общероссийский классификатор стандартов Обязательная сертификация Окп Тематические сборники Технические регламенты РФ Технические регламенты Таможенного союзаСтроительная документацияТехническая документация

Найти:
Где:
Отображать:
Упорядочить:

Скачать ГОСТ Р 71797-2024 Сосуды и аппараты. Заглушки поворотные стальные. Общие технические условия

Дата актуализации: 01.06.2025

ГОСТ Р 71797-2024

Сосуды и аппараты. Заглушки поворотные стальные. Общие технические условия

Обозначение: ГОСТ Р 71797-2024
Статус:действует
Название рус.:Сосуды и аппараты. Заглушки поворотные стальные. Общие технические условия
Название англ.:Vessels and apparatus. Rotary steel blank. General technical requirements
Дата актуализации текста:01.06.2025
Дата актуализации описания:01.06.2025
Дата издания:19.12.2024
Дата введения:01.03.2025
Нормативные ссылки:ГОСТ 9.014;ГОСТ 12.1.007;ГОСТ 12.1.044;ГОСТ 12.3.009;ГОСТ 1050;ГОСТ 1577;ГОСТ 4543;ГОСТ 5264;ГОСТ 5520;ГОСТ 5632;ГОСТ 7350;ГОСТ 7505;ГОСТ 8479;ГОСТ 14192;ГОСТ 14771;ГОСТ 15150;ГОСТ 15180;ГОСТ 19281;ГОСТ 20072;ГОСТ 23170;ГОСТ 25054;ГОСТ 25347;ГОСТ 33259;ГОСТ 34347-2017;ГОСТ 34655;ГОСТ Р 52376;ГОСТ Р ИСО 8501-1
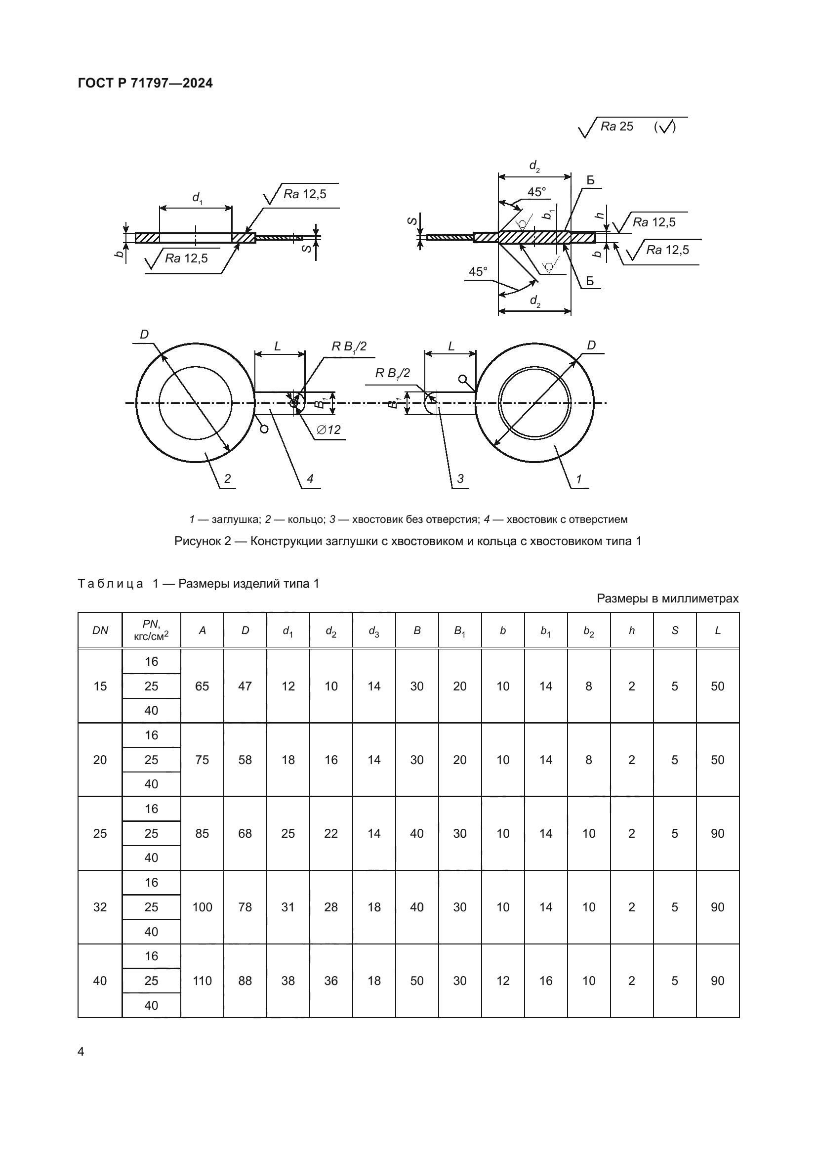
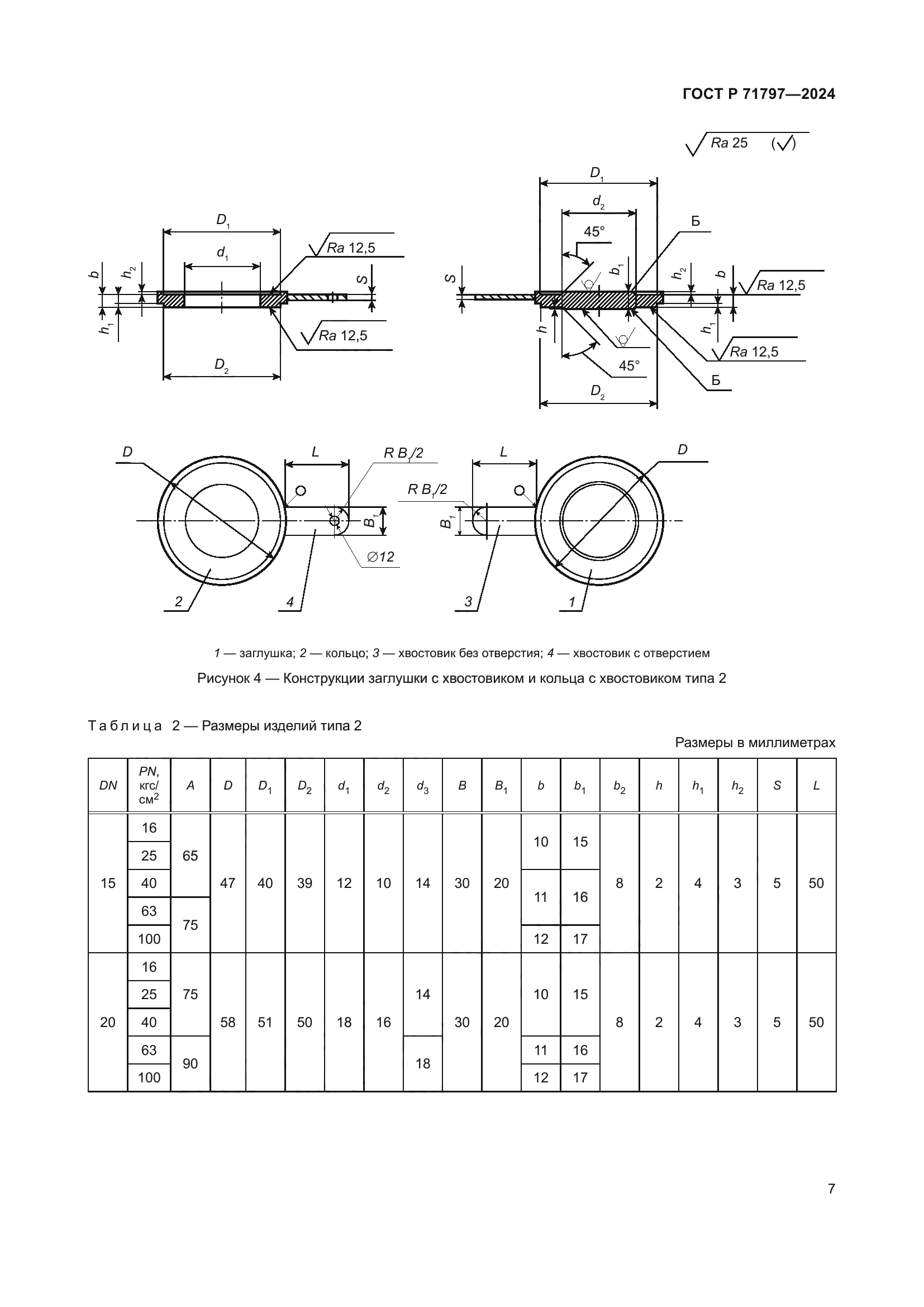
Область применения:Настоящий стандарт распространяется на поворотные заглушки, заглушки с хвостовиками, кольца с хвостовиками (далее – изделия), применяемые для фланцев по ГОСТ 33259, рассчитанные на номинальные давления от 1,6 до 16,0 МПа (от PN 16 до PN 160), предназначенные для отключения сосудов и аппаратов от трубопроводов при проведении монтажных или ремонтных работ
Расположен в:Государственные стандарты Общероссийский классификатор стандартов Гидравлические и пневматические системы и компоненты общего назначения Трубопроводы и их компоненты Фланцы, муфты и соединения Химическая промышленность Оборудование для химической промышленности Оборудование для химической промышленности в целом Добыча и переработка нефти, газа и смежные производства Оборудование для нефтяной и газовой промышленности Технологическое оборудование Оборудование для переработки нефти, нефтяных продуктов и природного газа
ГОСТ Р 71797-2024ГОСТ Р 71797-2024ГОСТ Р 71797-2024ГОСТ Р 71797-2024ГОСТ Р 71797-2024ГОСТ Р 71797-2024ГОСТ Р 71797-2024ГОСТ Р 71797-2024ГОСТ Р 71797-2024ГОСТ Р 71797-2024ГОСТ Р 71797-2024ГОСТ Р 71797-2024ГОСТ Р 71797-2024ГОСТ Р 71797-2024ГОСТ Р 71797-2024ГОСТ Р 71797-2024ГОСТ Р 71797-2024ГОСТ Р 71797-2024ГОСТ Р 71797-2024ГОСТ Р 71797-2024ГОСТ Р 71797-2024ГОСТ Р 71797-2024ГОСТ Р 71797-2024ГОСТ Р 71797-2024ГОСТ Р 71797-2024ГОСТ Р 71797-2024ГОСТ Р 71797-2024ГОСТ Р 71797-2024ГОСТ Р 71797-2024ГОСТ Р 71797-2024ГОСТ Р 71797-2024ГОСТ Р 71797-2024ГОСТ Р 71797-2024ГОСТ Р 71797-2024ГОСТ Р 71797-2024ГОСТ Р 71797-2024

© 2013 Ёшкин Кот :-) Карта сайта